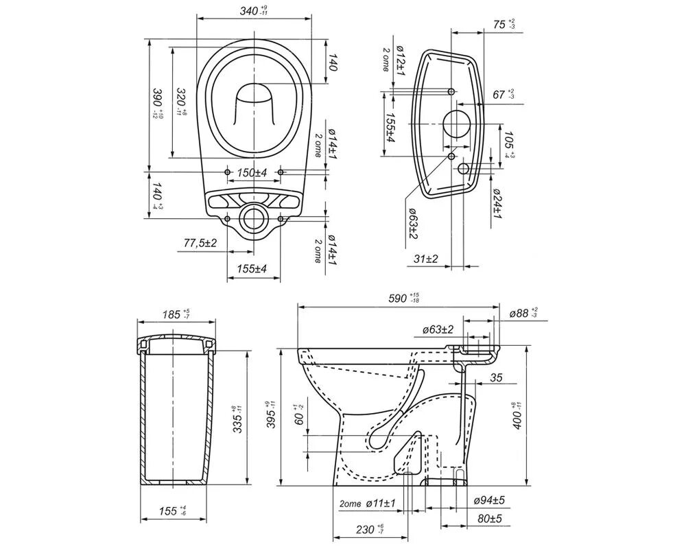
Компакт суперкомпакт