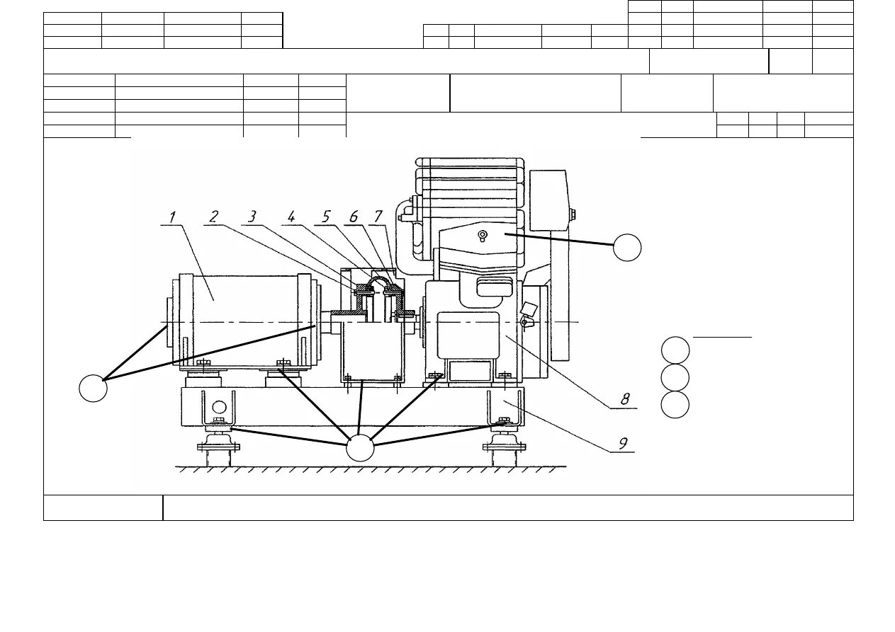
Компрессор 3эс5к