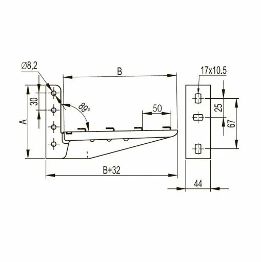
Консоль ml 100 мм