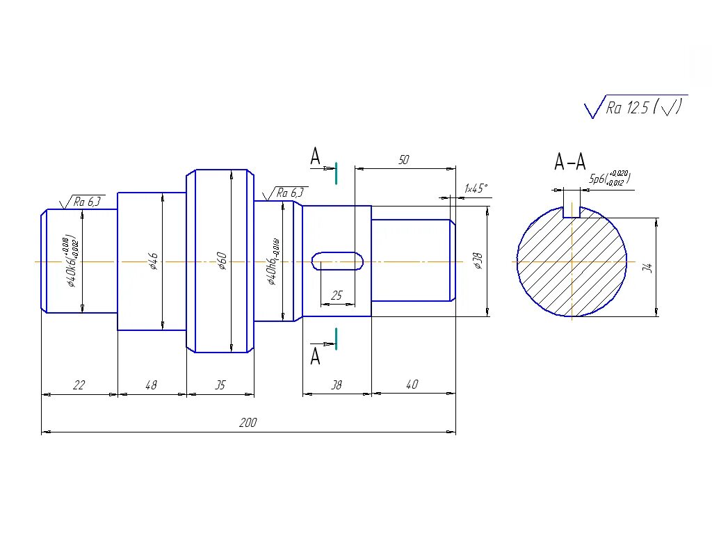
Контроль изготовления деталей