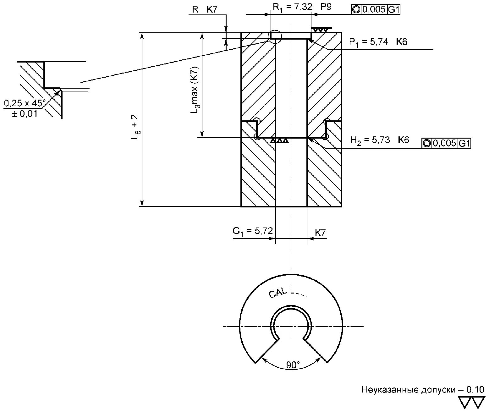
Контроль размеров и форм