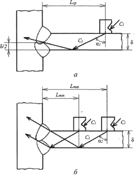
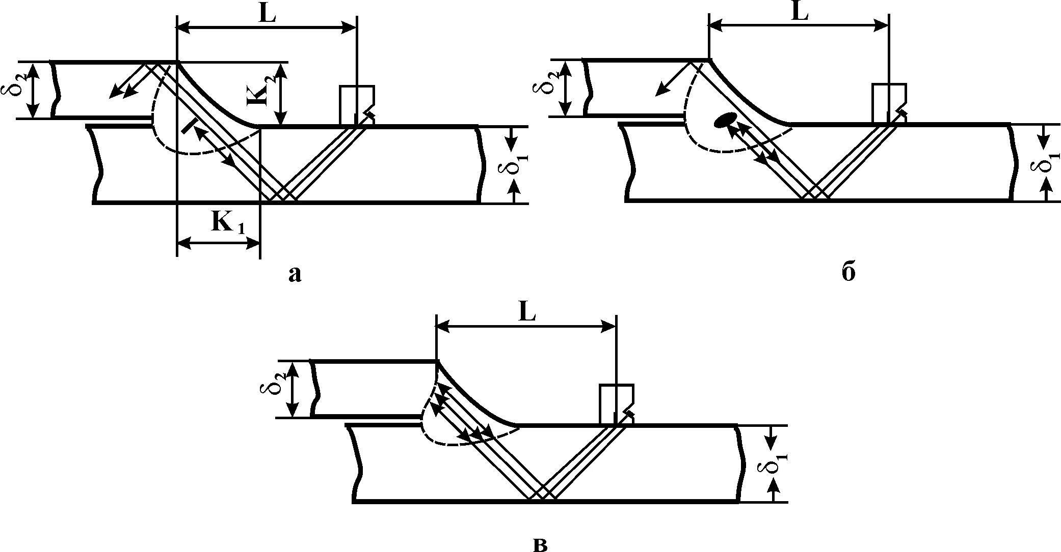
Контроль стыковых соединений