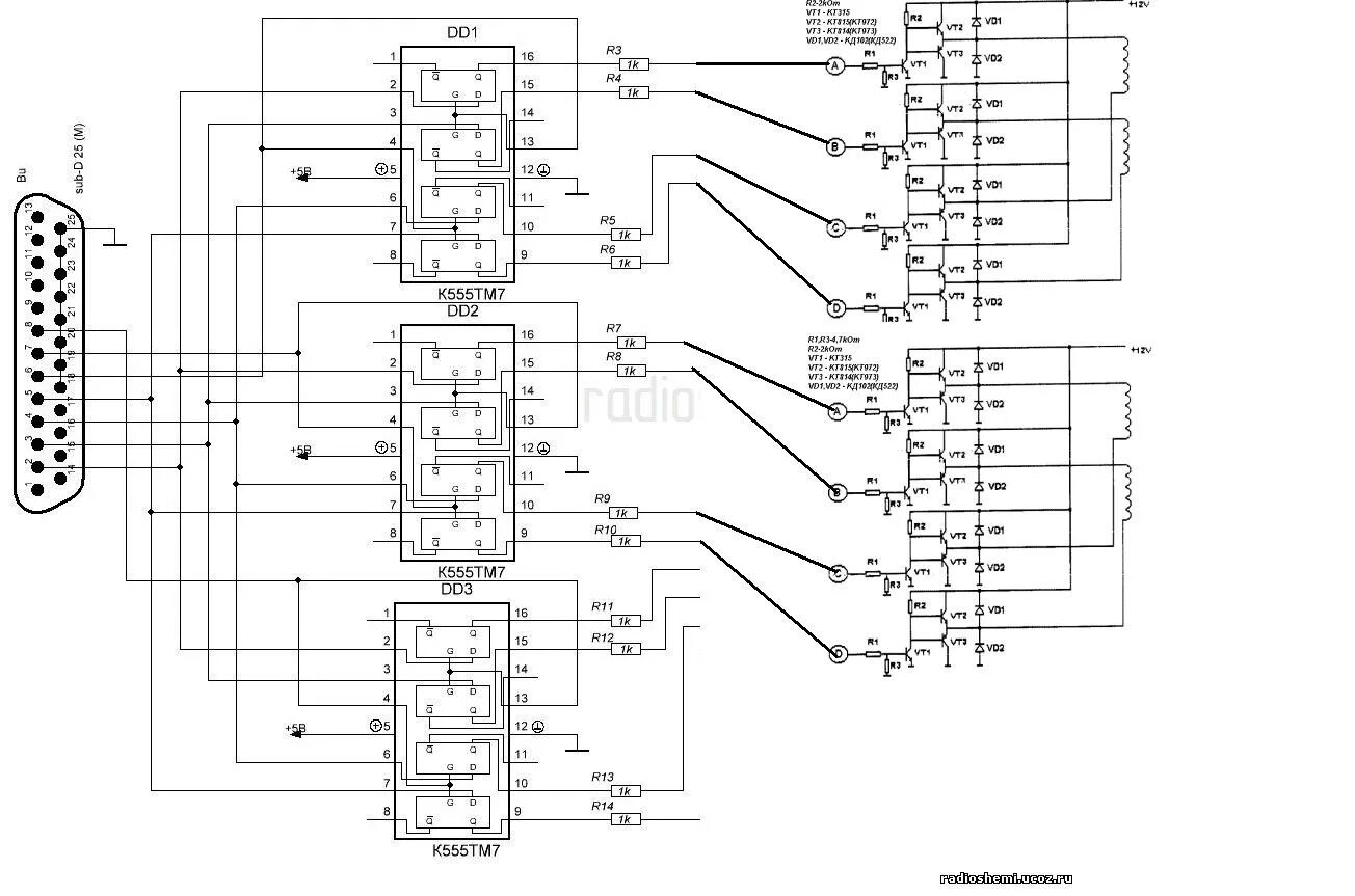
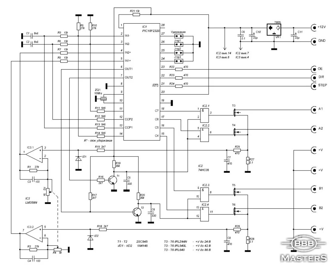
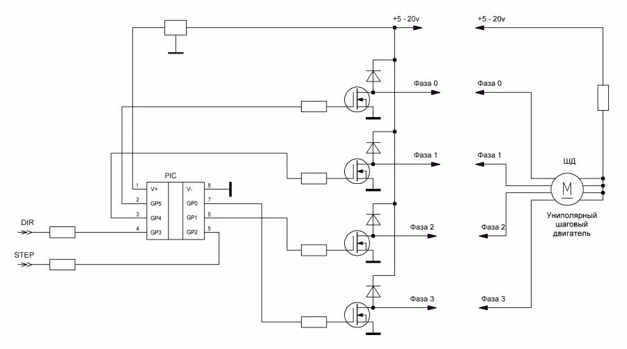
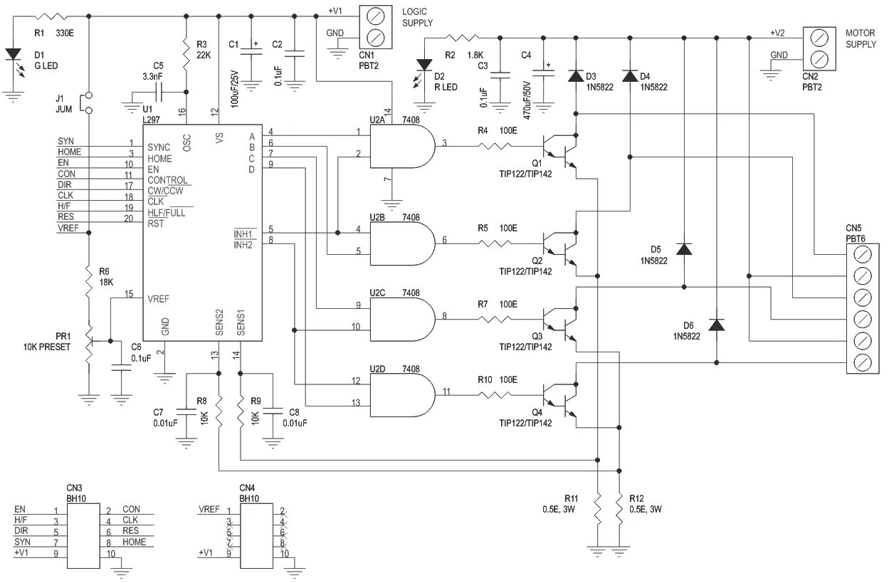
Контроллер шагового двигателя схема