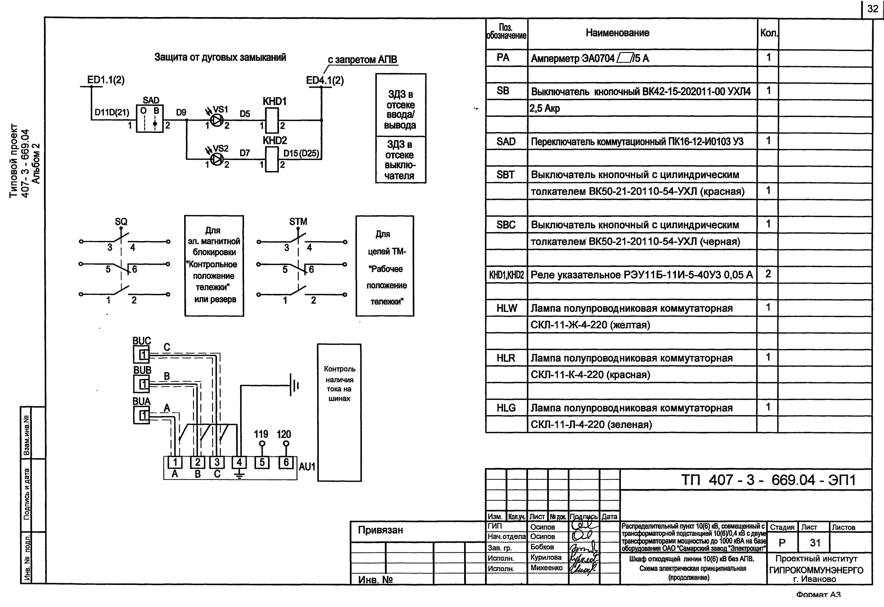
Контрольное положение