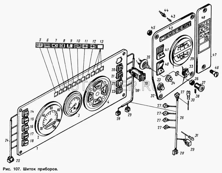
Контрольные лампы маз