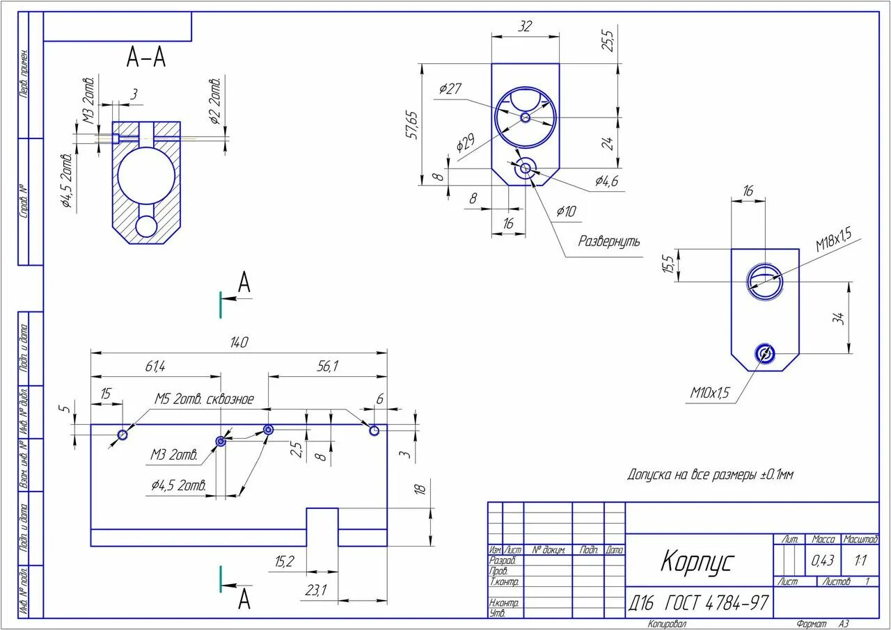
Корпус дата