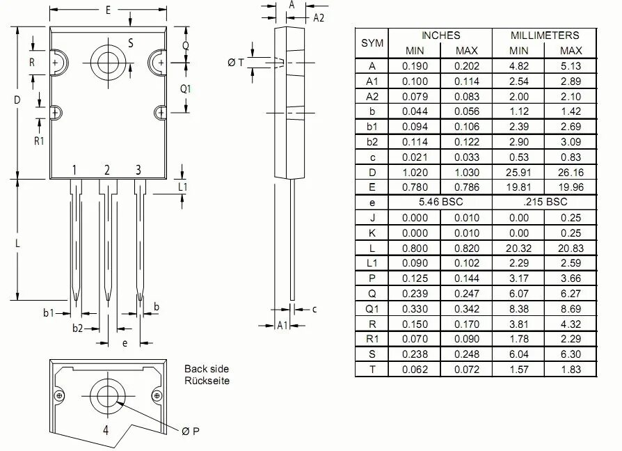
Корпус тип 6