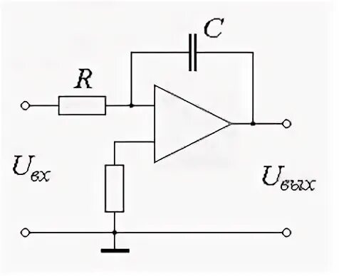
Корректирующий элемент