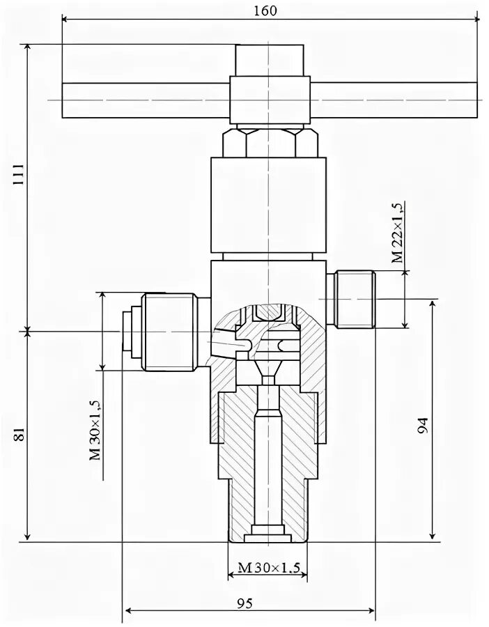
Кран 40 мпа