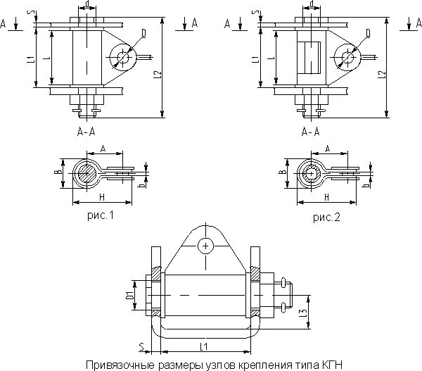
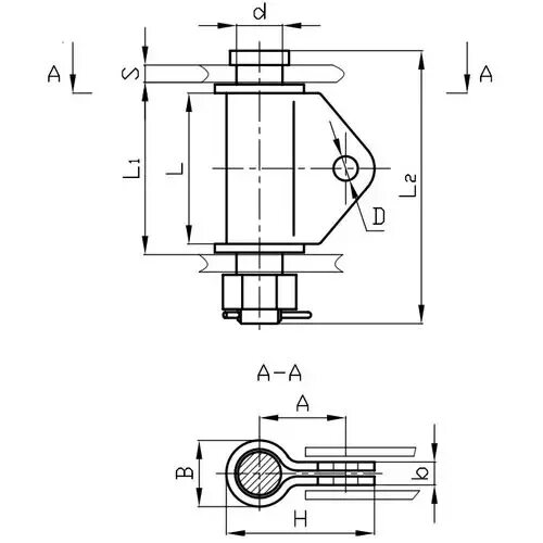
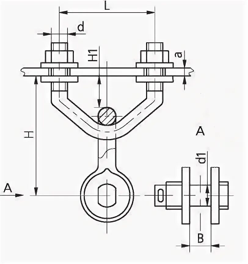
Крепление типа а