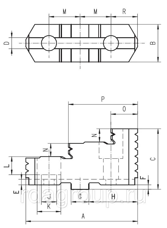
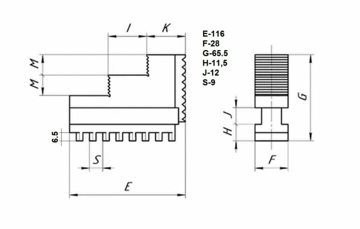
Кулачки форум