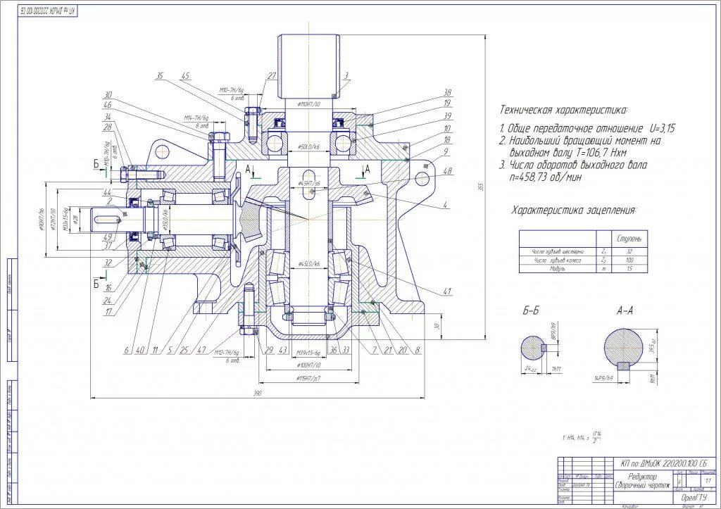
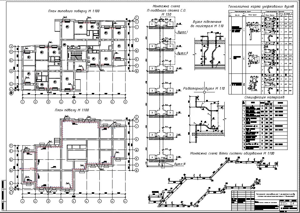
Курсовые работы по устройству