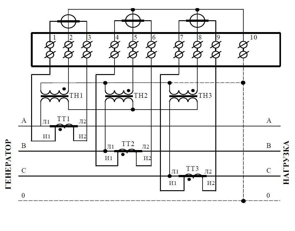
Kw схема подключения