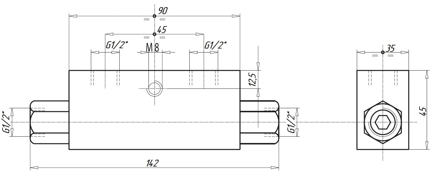
L 02 01