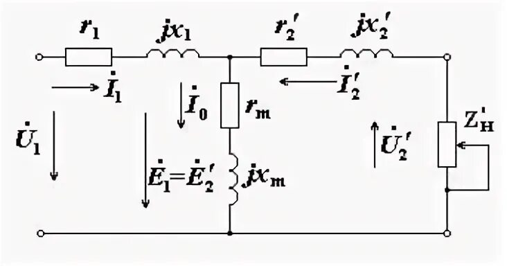
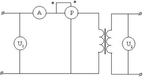
Лабораторная работа однофазный трансформатор