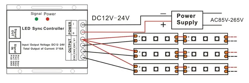
Led syncing