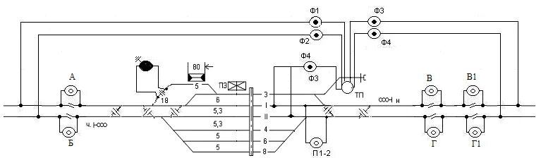
Линия питающая контактную сеть