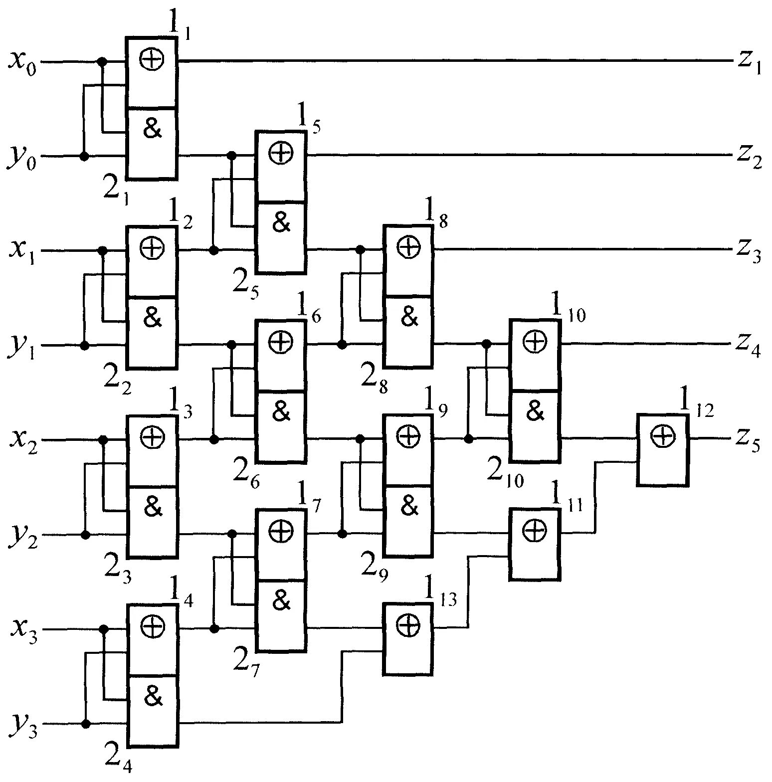
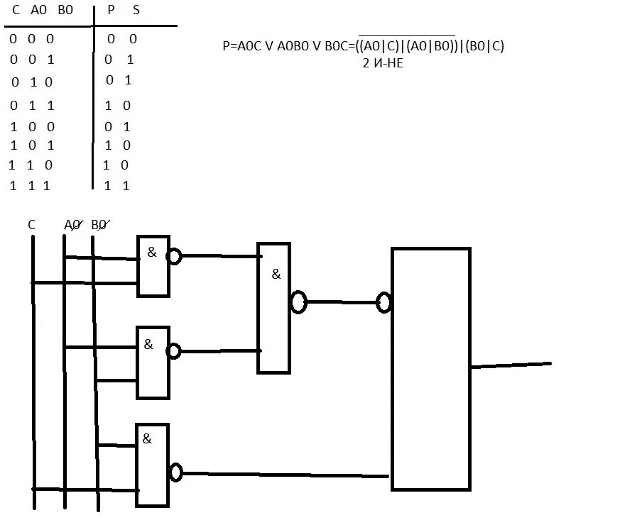
Логическая схема сумматора