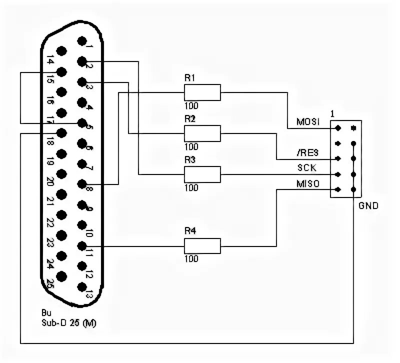
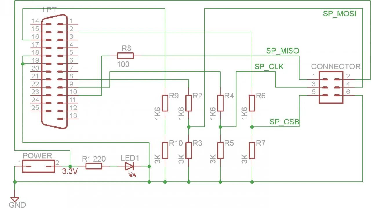
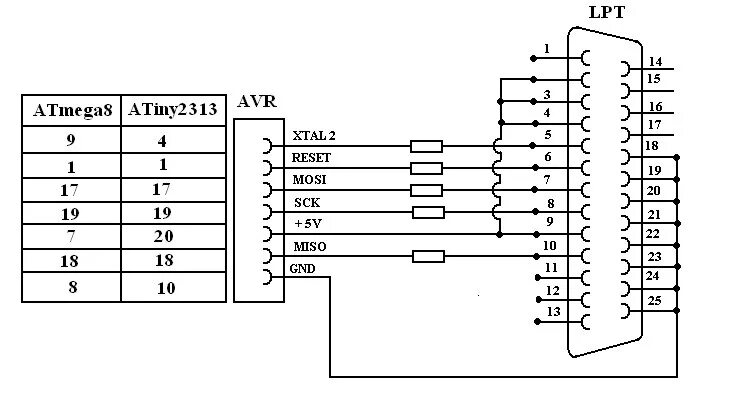
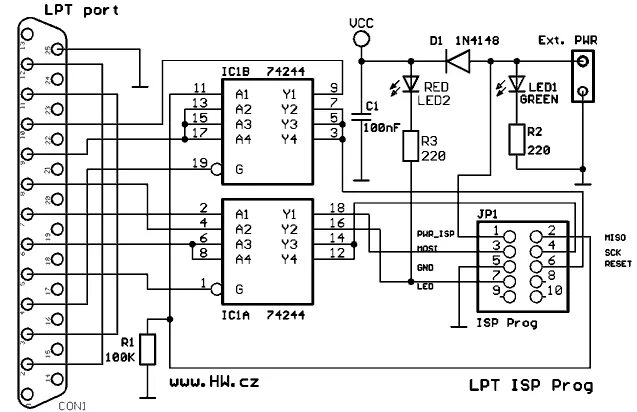
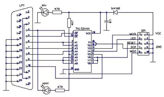
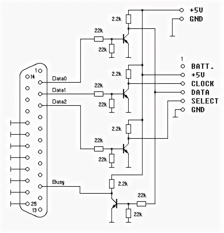
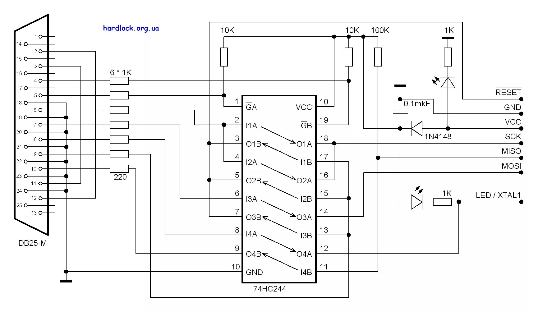
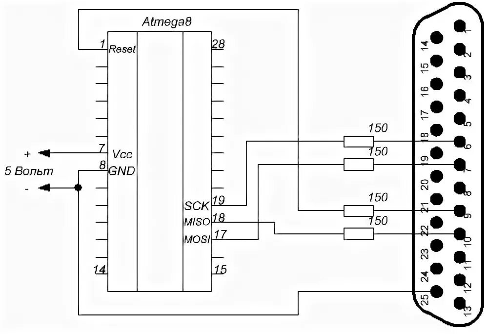
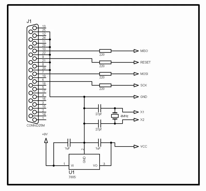
Lpt программатор