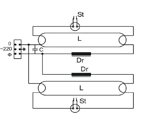
Люминесцентные лампы параллельно