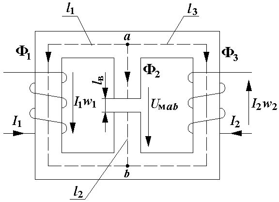
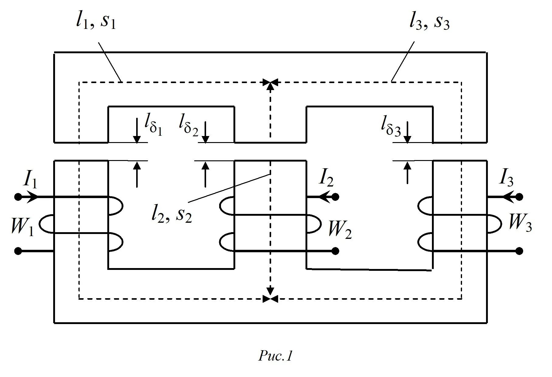
Магнитную цепь трансформатора