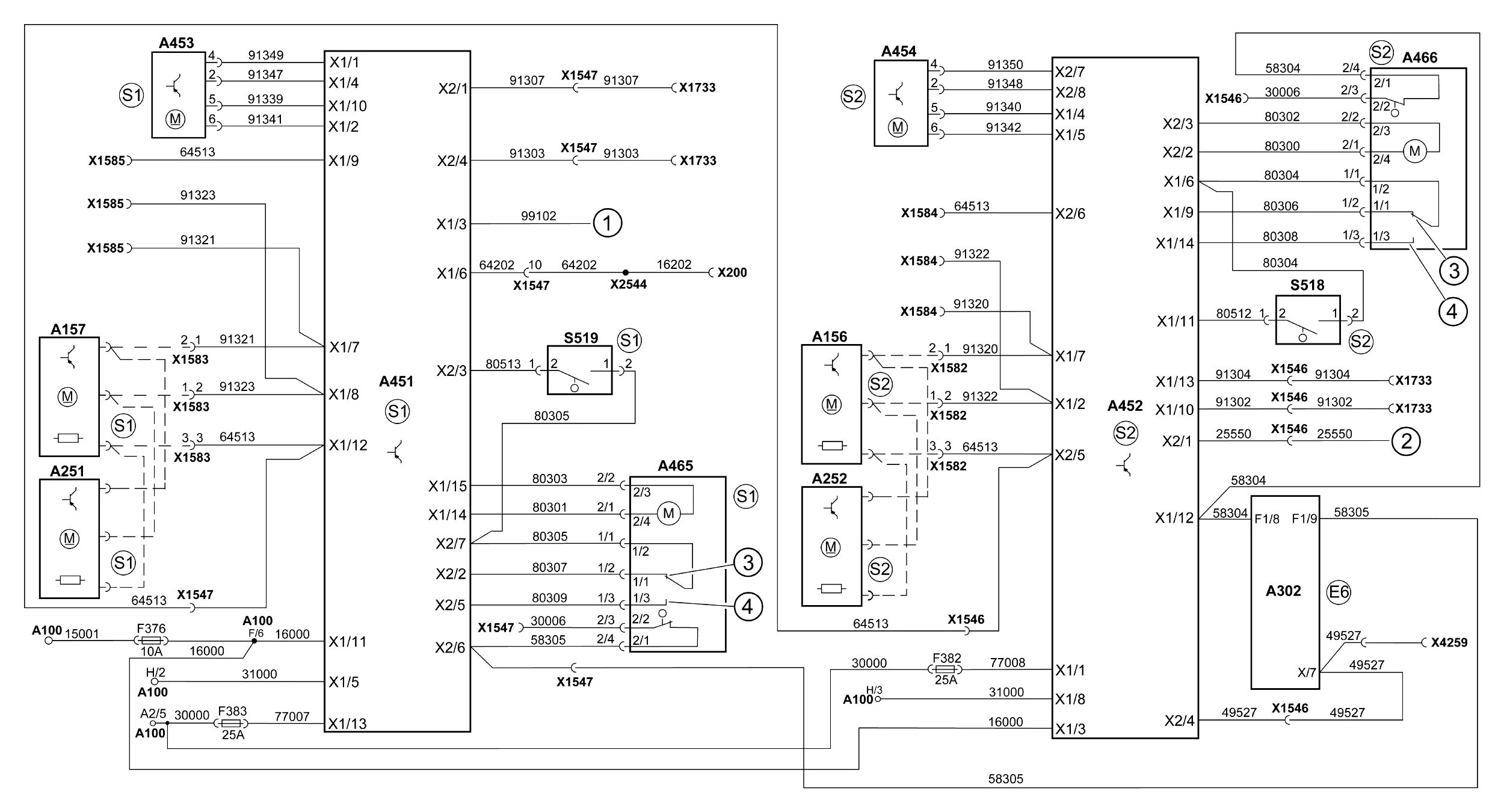
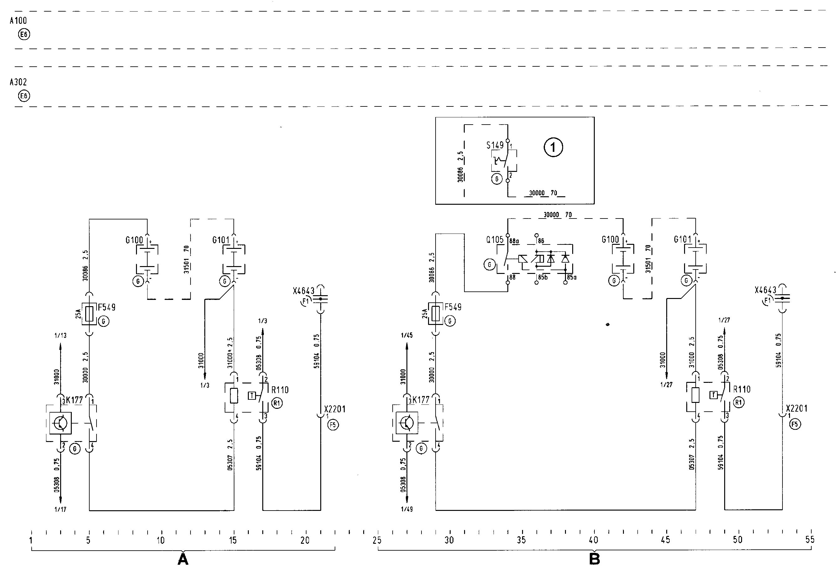
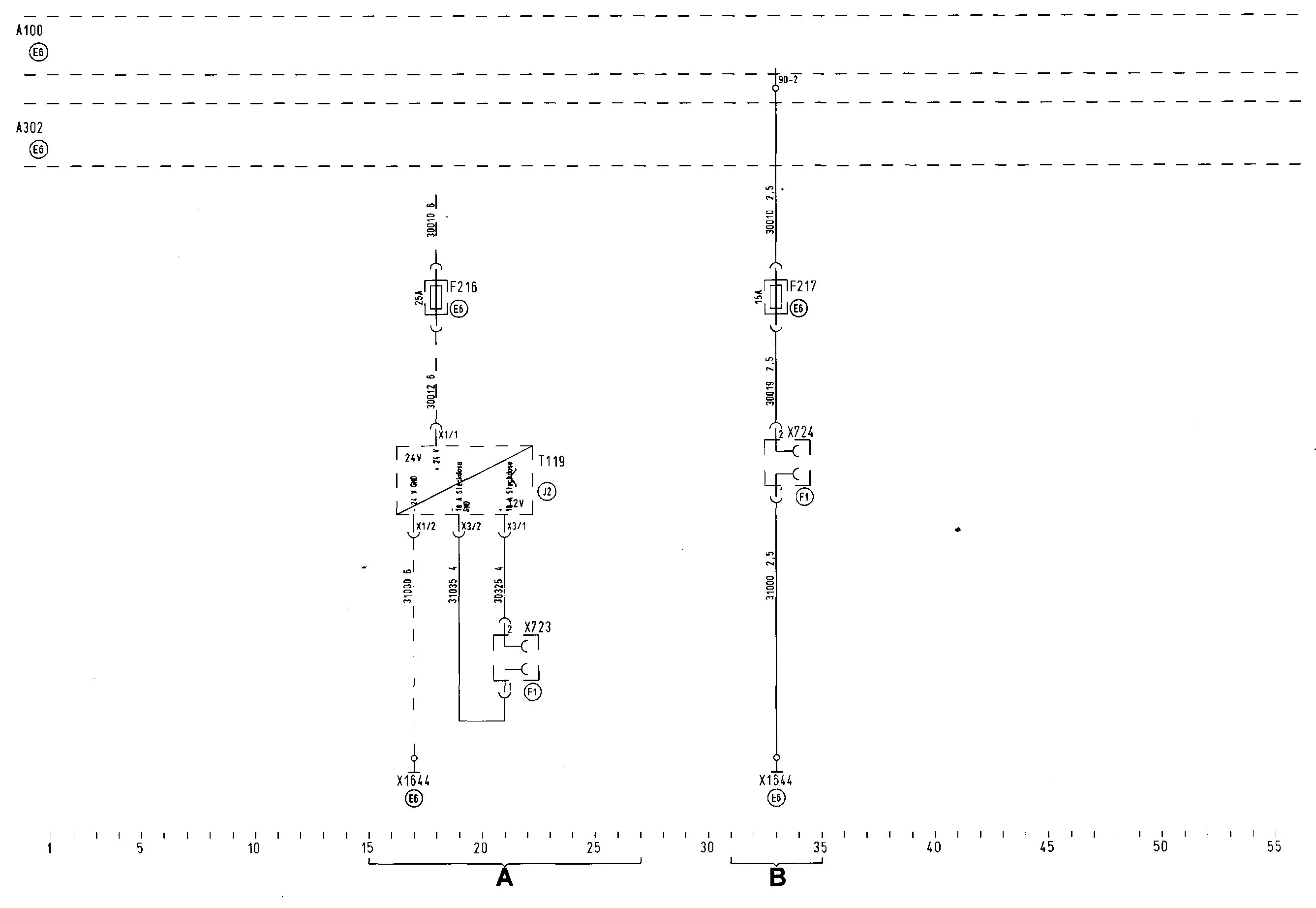
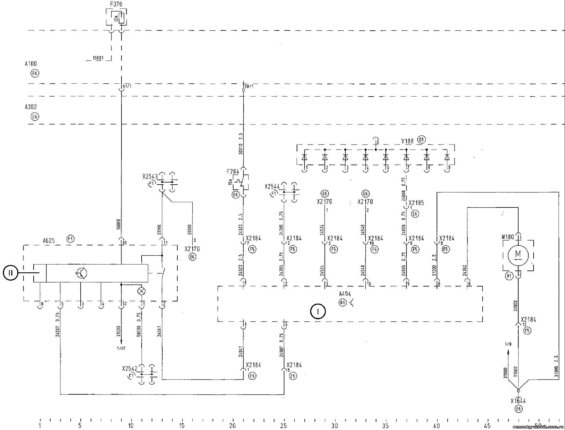
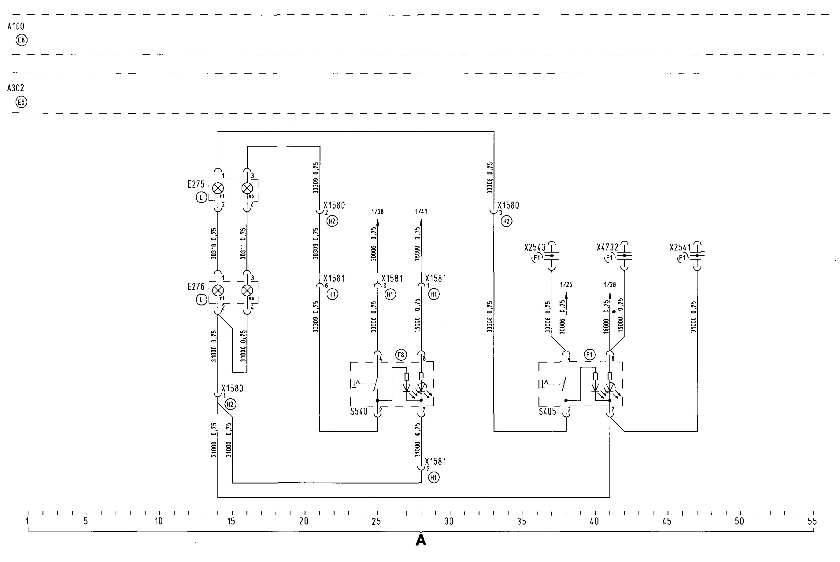
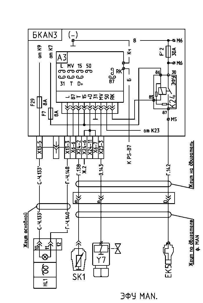
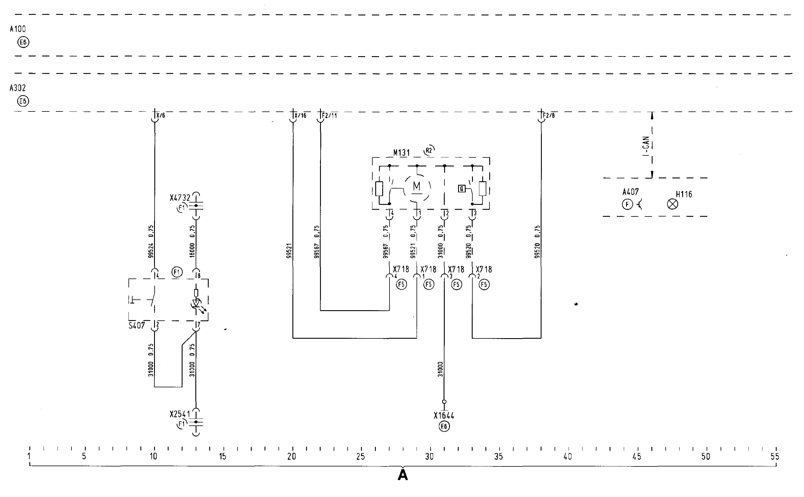
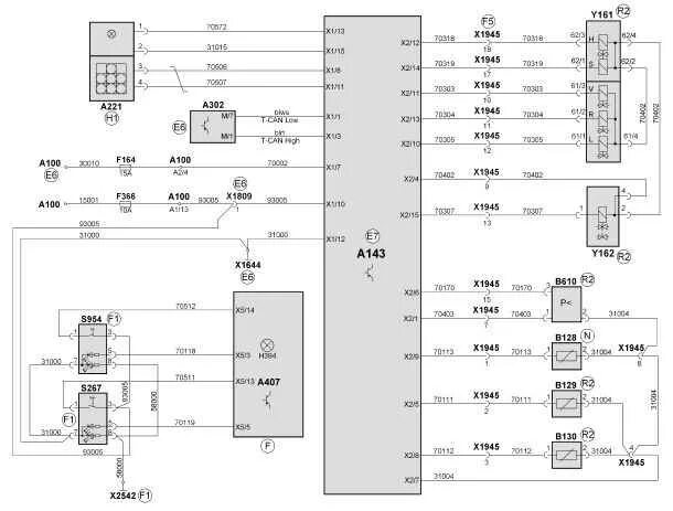
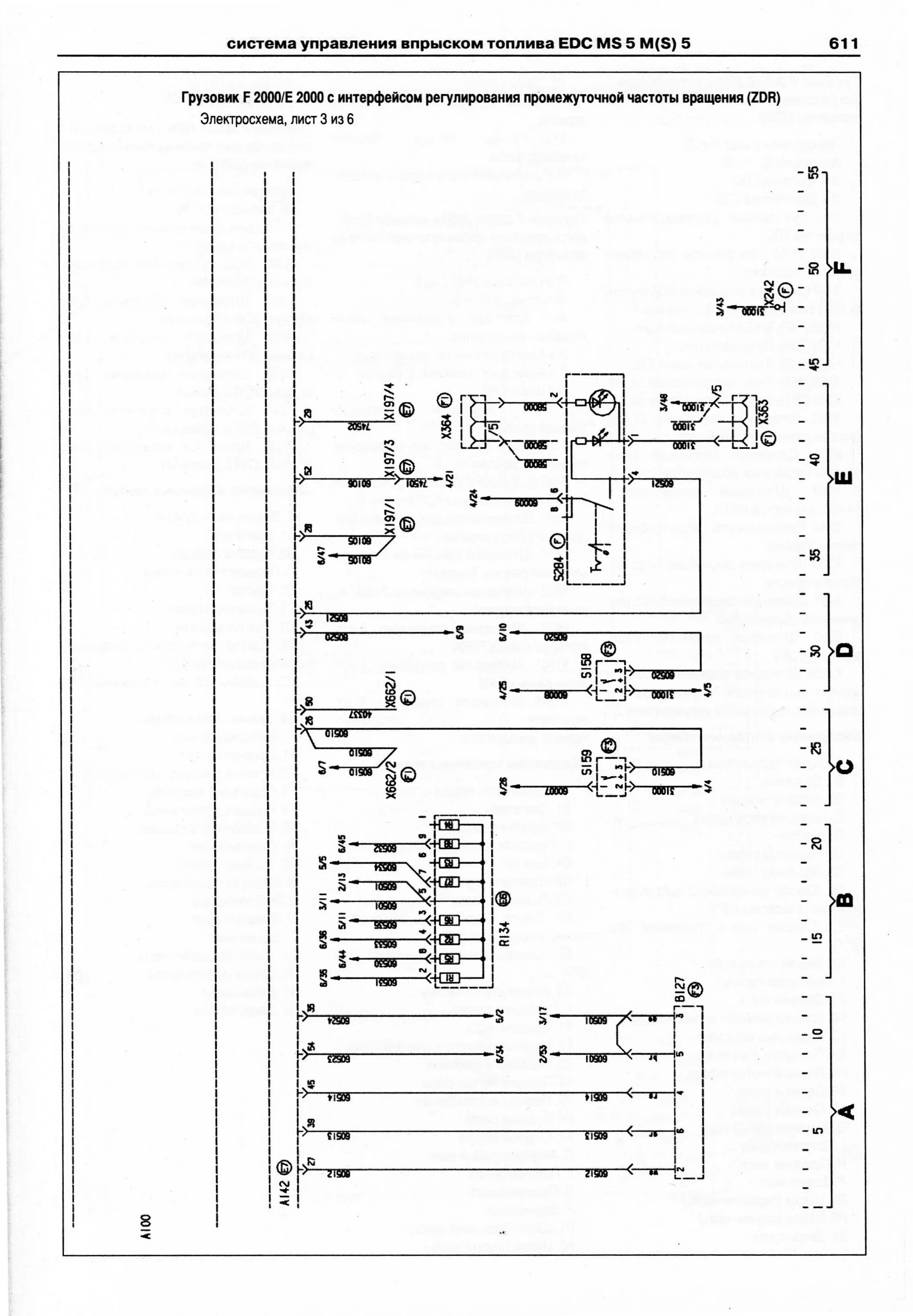
Man электрическая схема