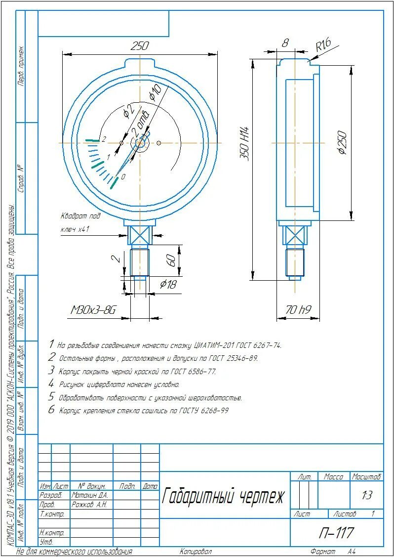
Манометр чертеж