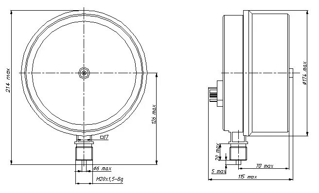
Манометр присоединительная резьба