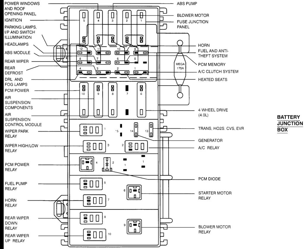
Мануал предохранителей