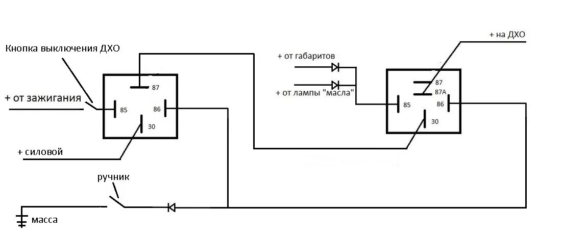
Маркировка дхо