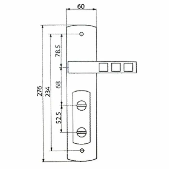
Master handle