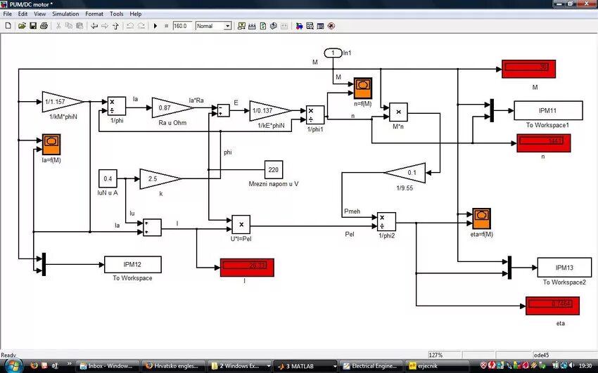
Матлаб моделирование