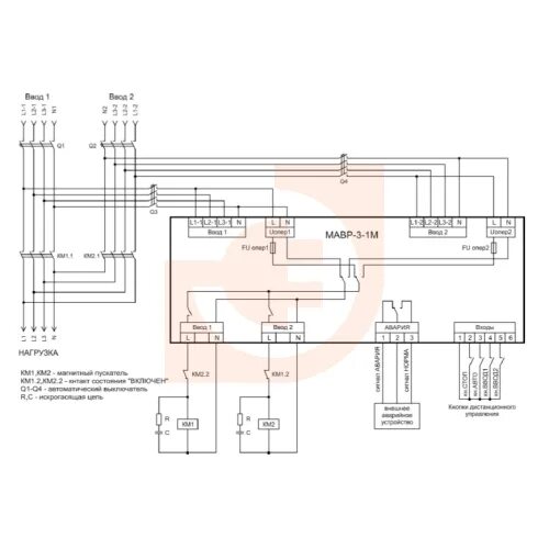
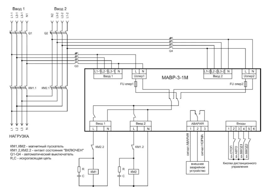
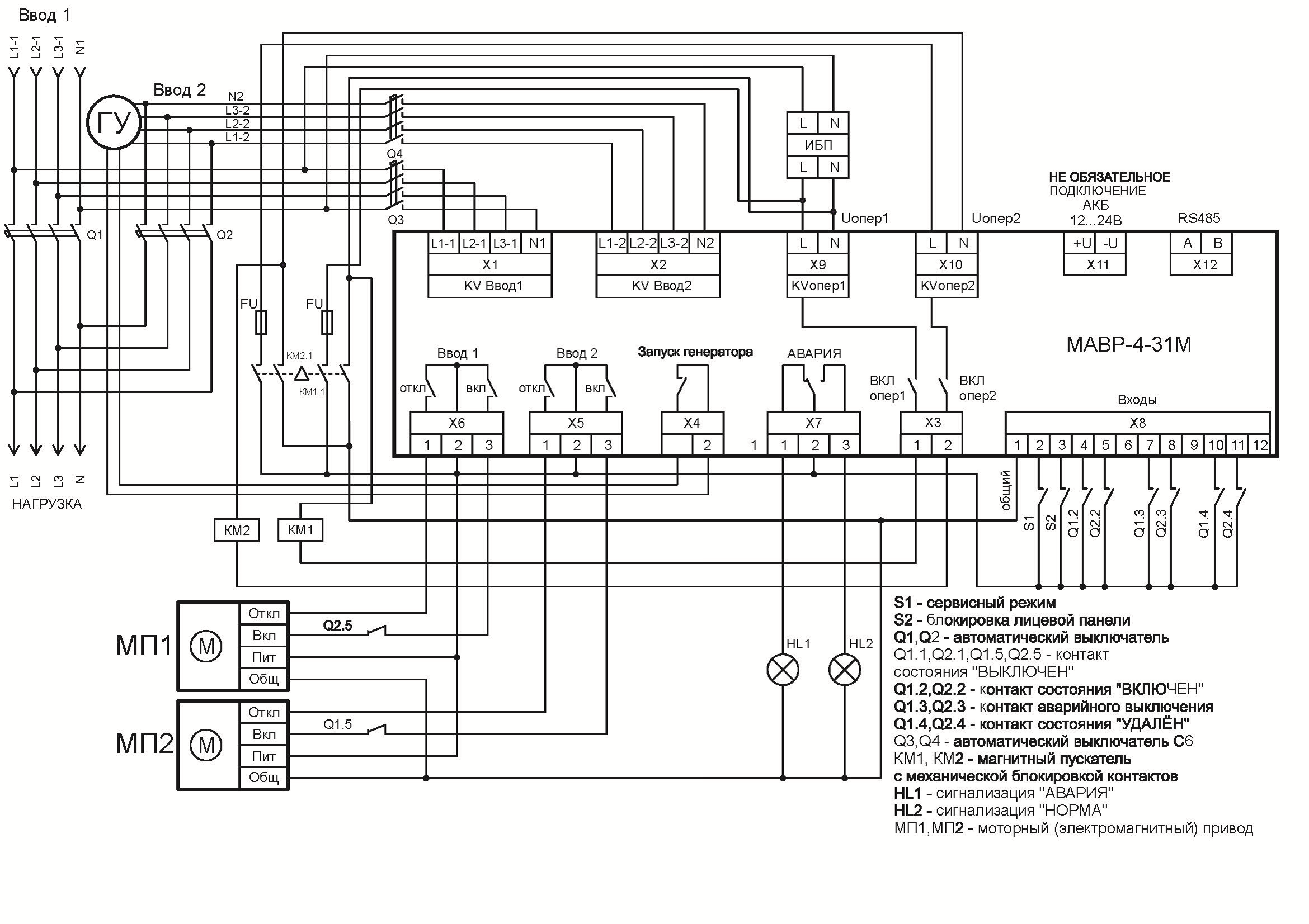
Мавр 3 1