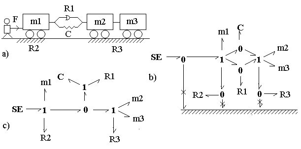
Механическое моделирование систем