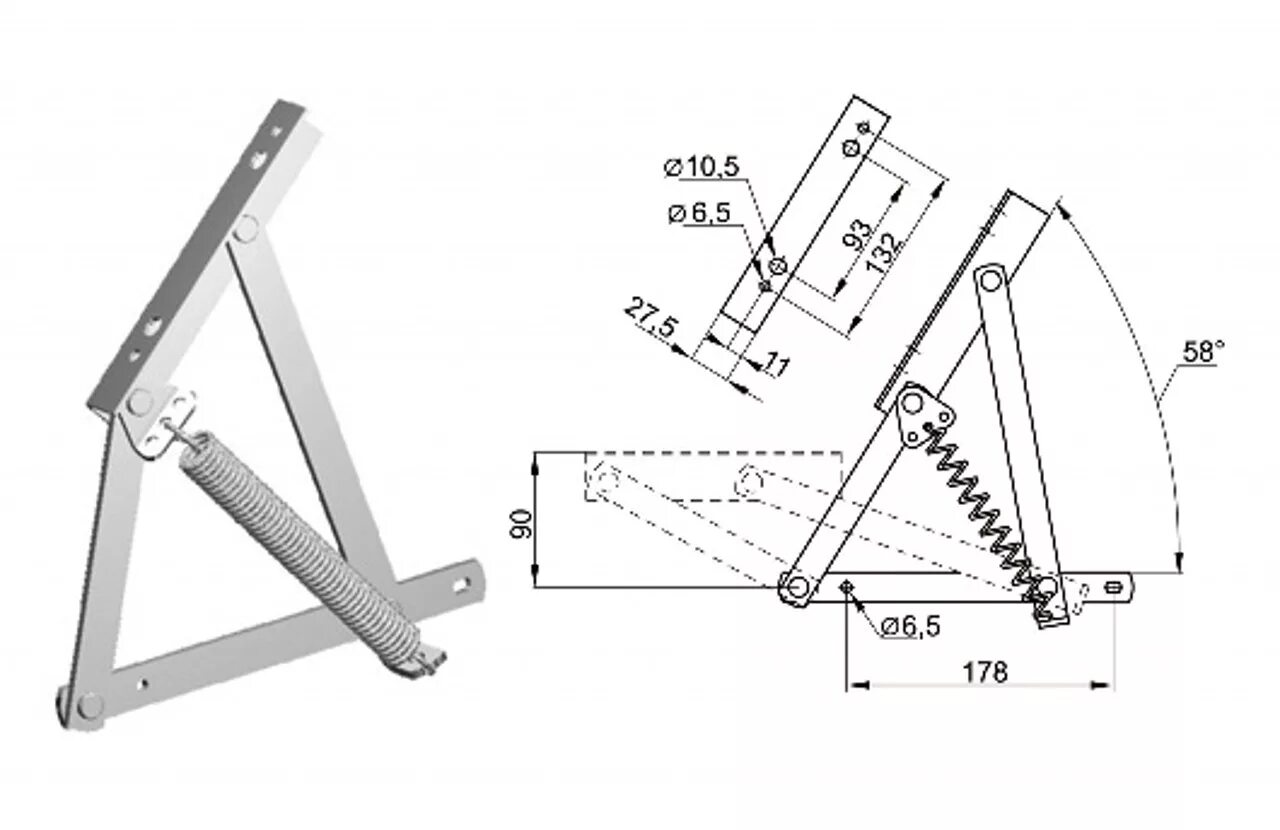
Механизм изменения высоты