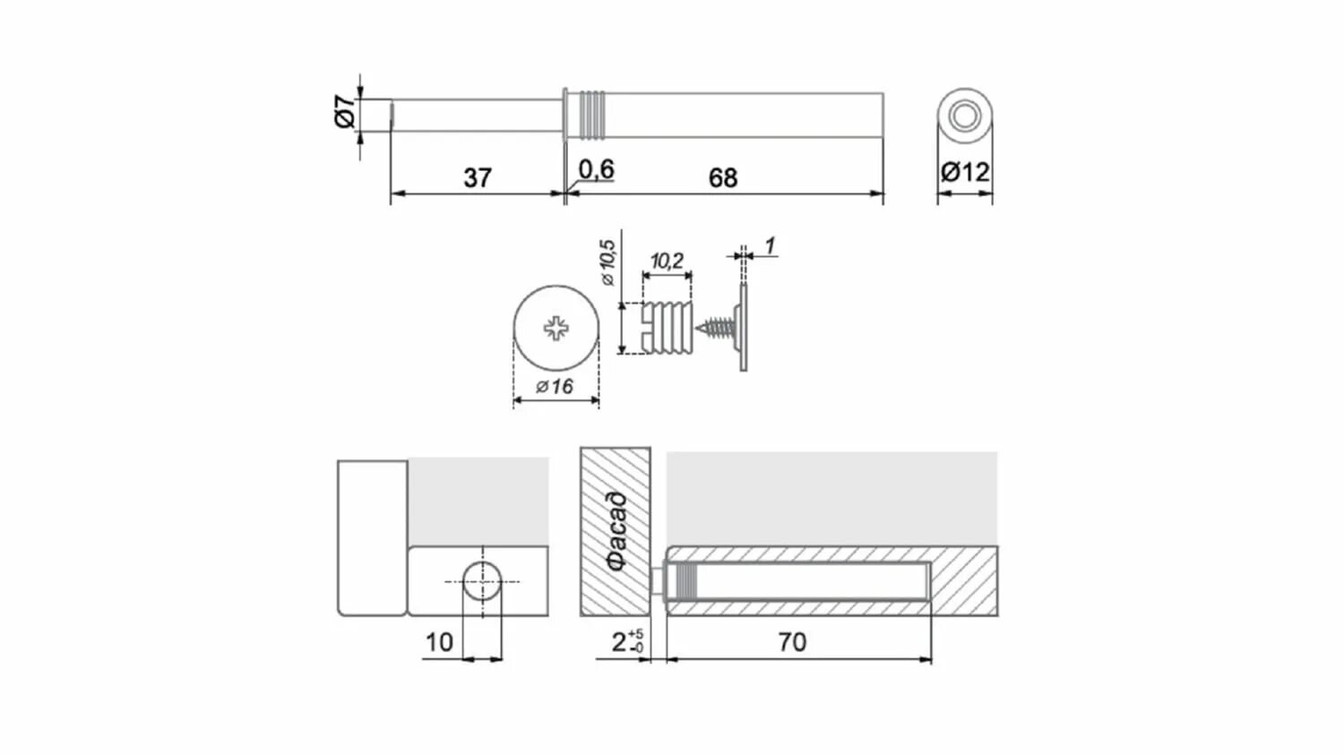
Механизм push to open установка