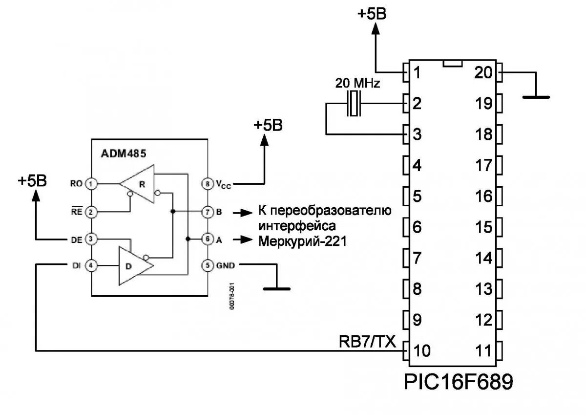
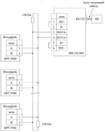
Меркурий 221