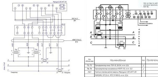
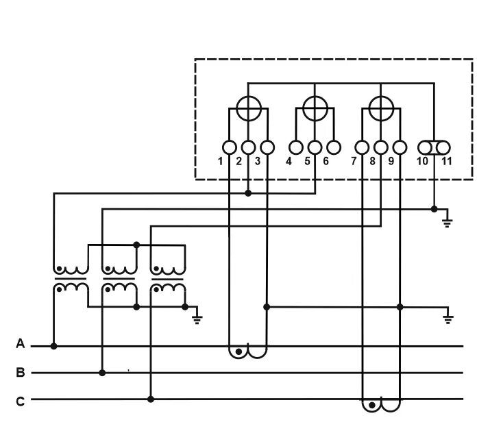
Меркурий 230 подключение через трансформатор тока