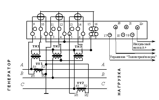
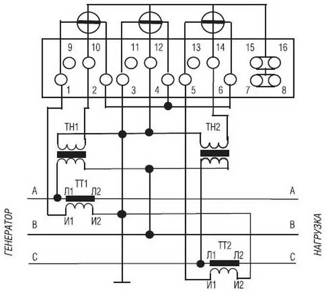
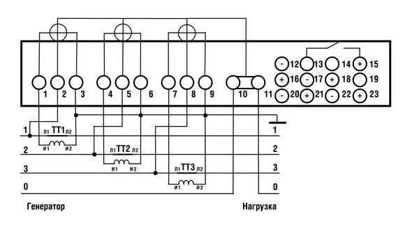
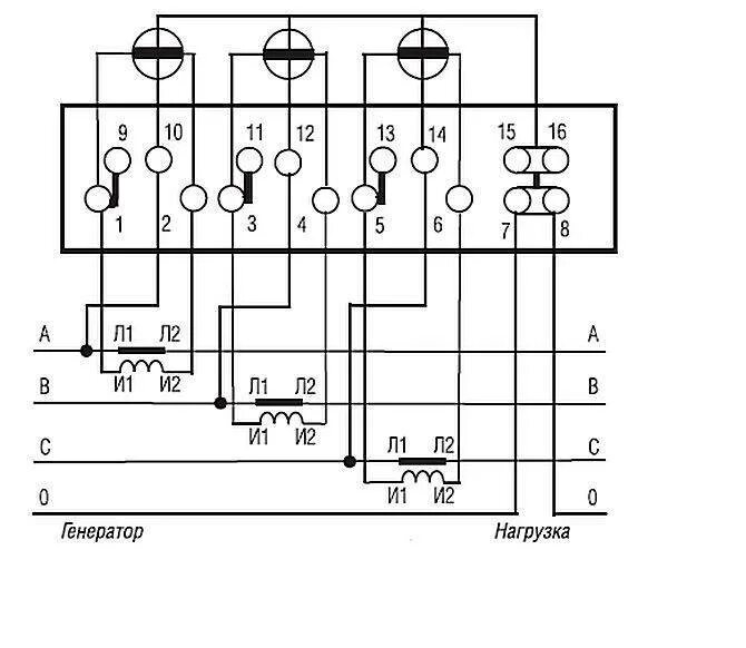
Меркурий через трансформаторы тока