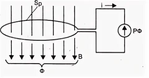
Метод измерения магнитного поля