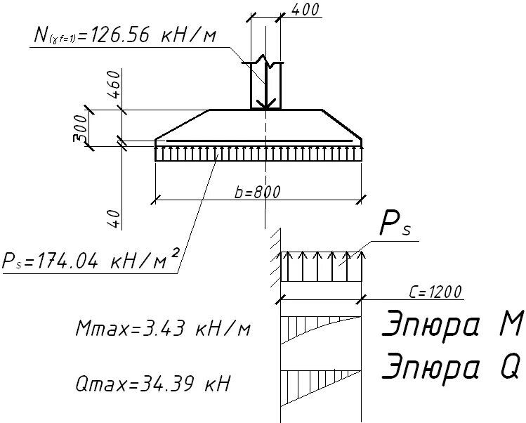
Метр фундамента