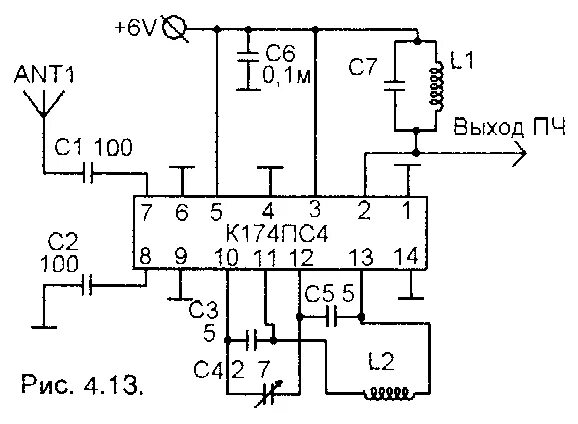
Микросхема к174пс1