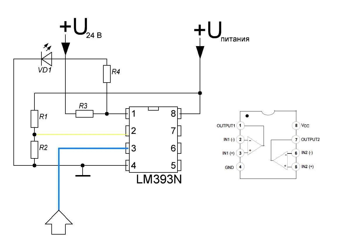
Микросхема как подключить