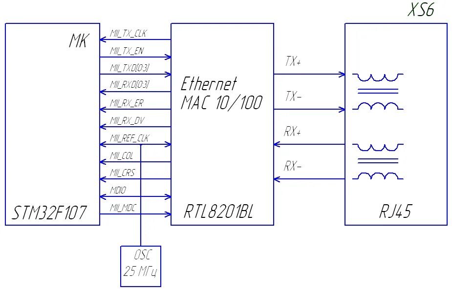
Микросхемы ethernet