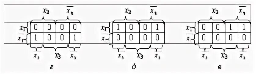
Минимизация вейча