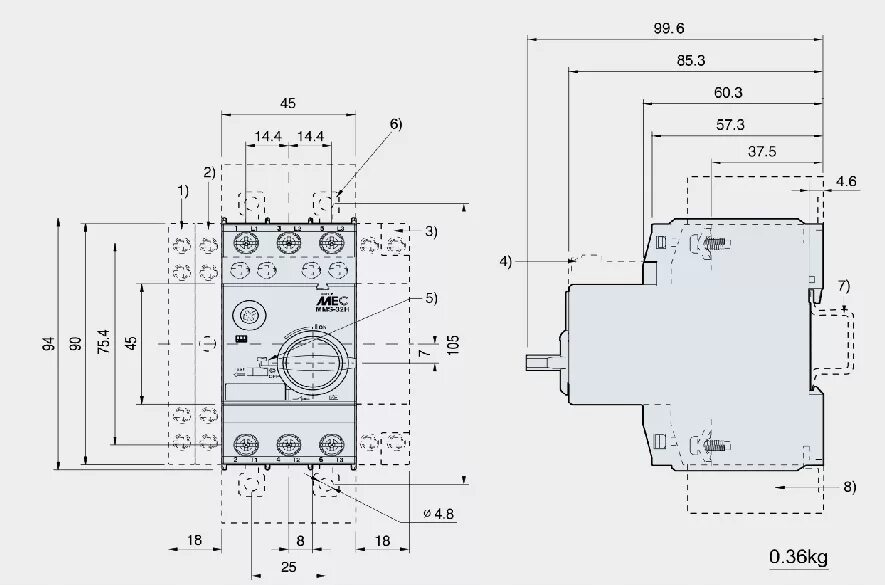
Mms 32h