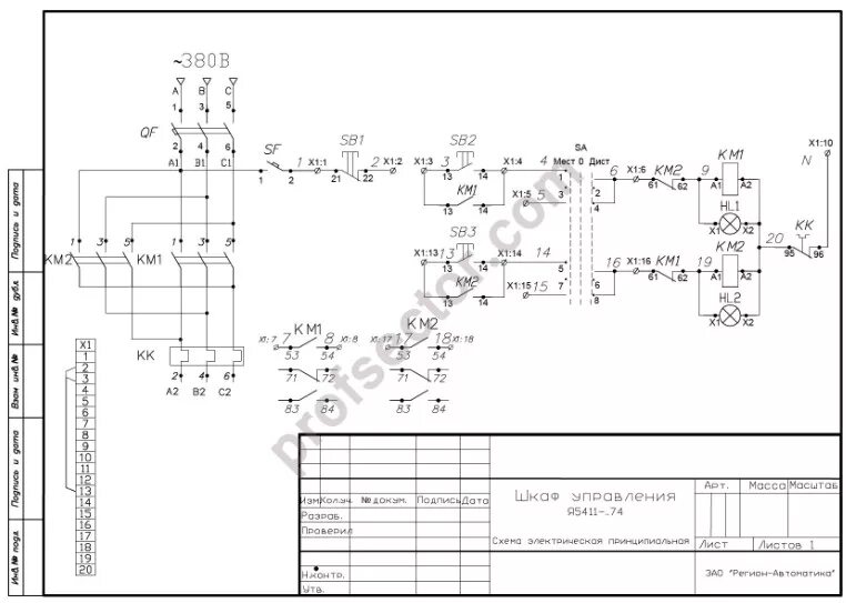
Ммс код 5411