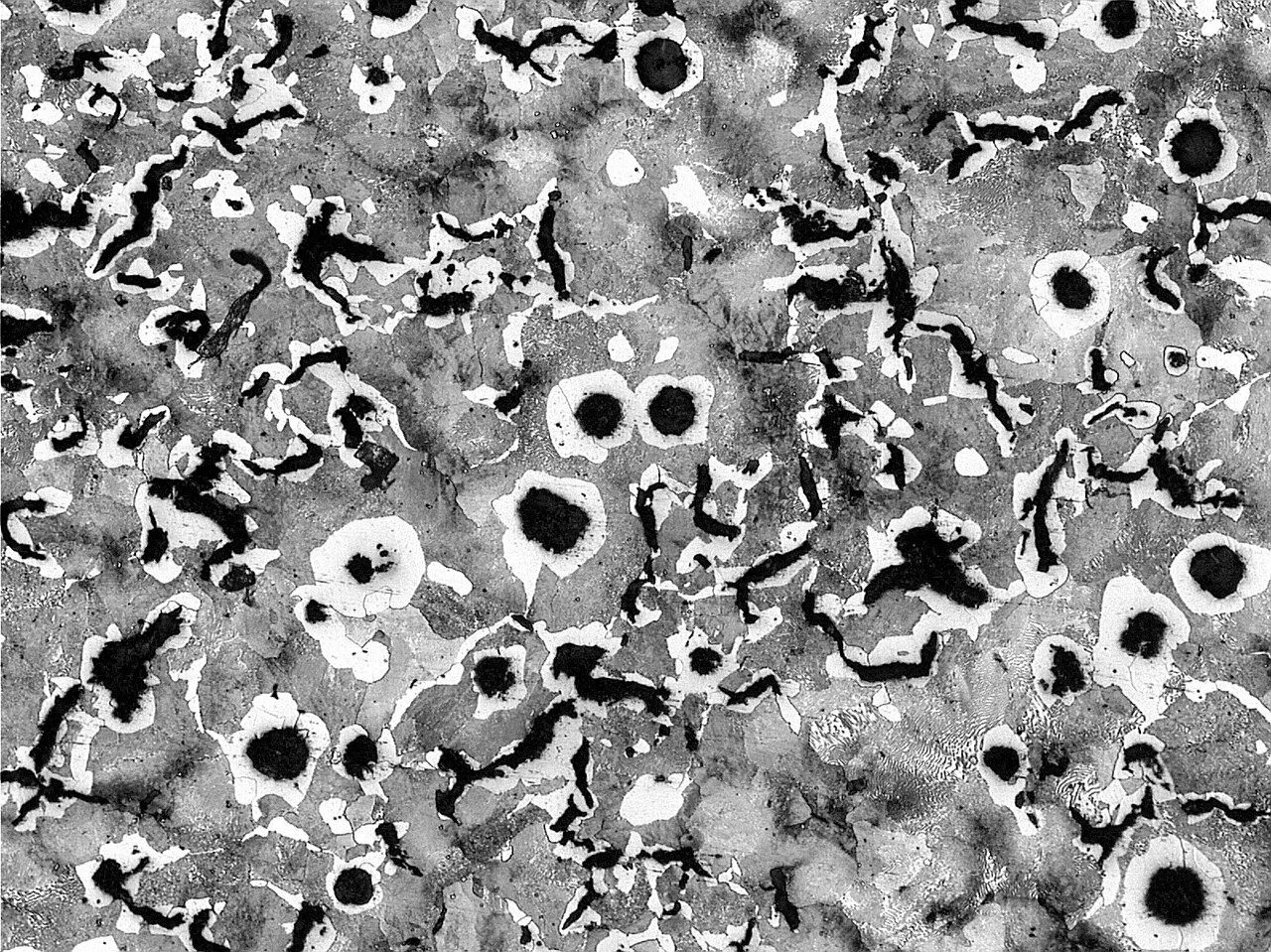
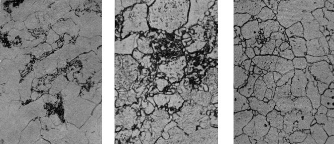
Модифицированные стали