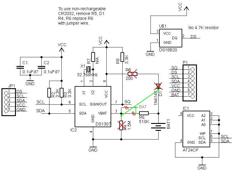
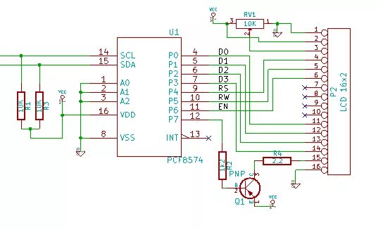
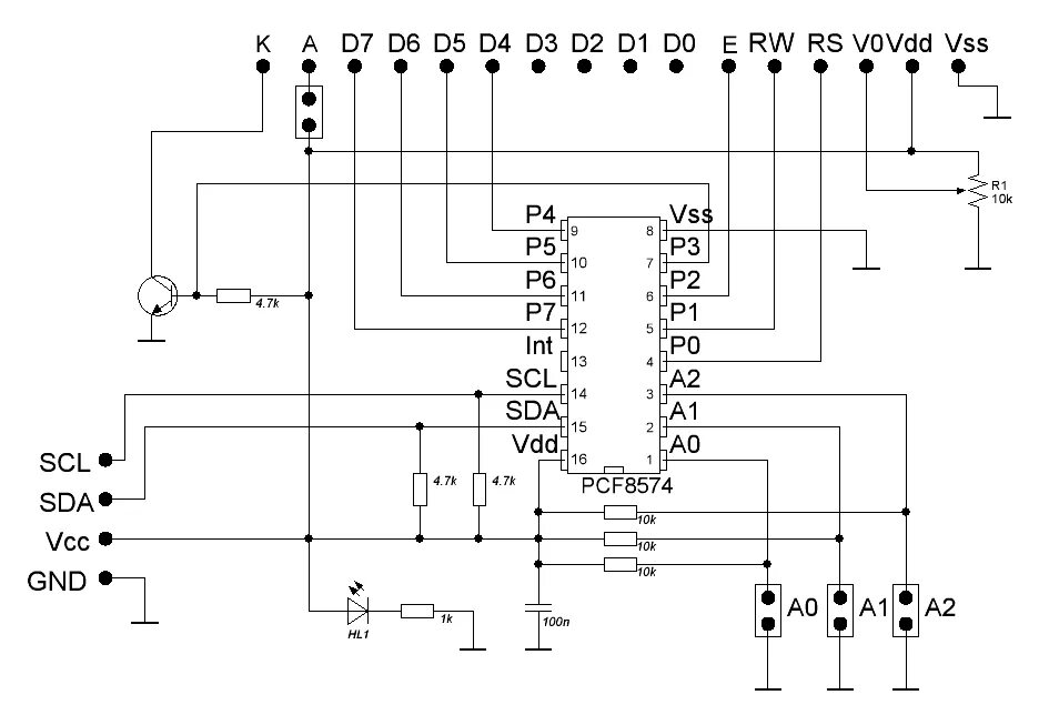
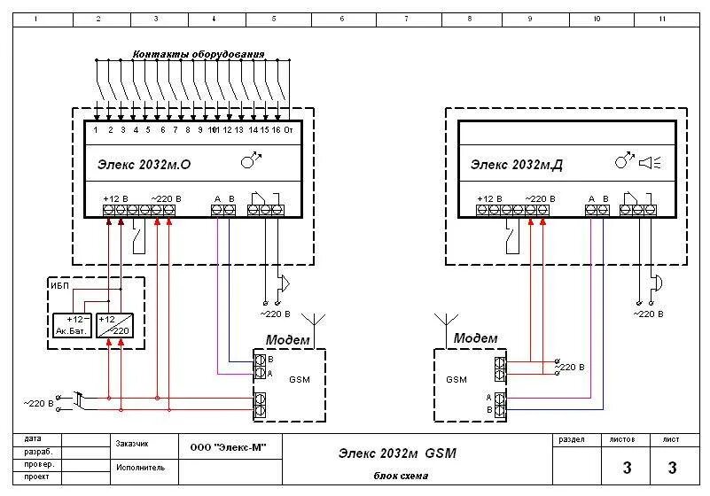
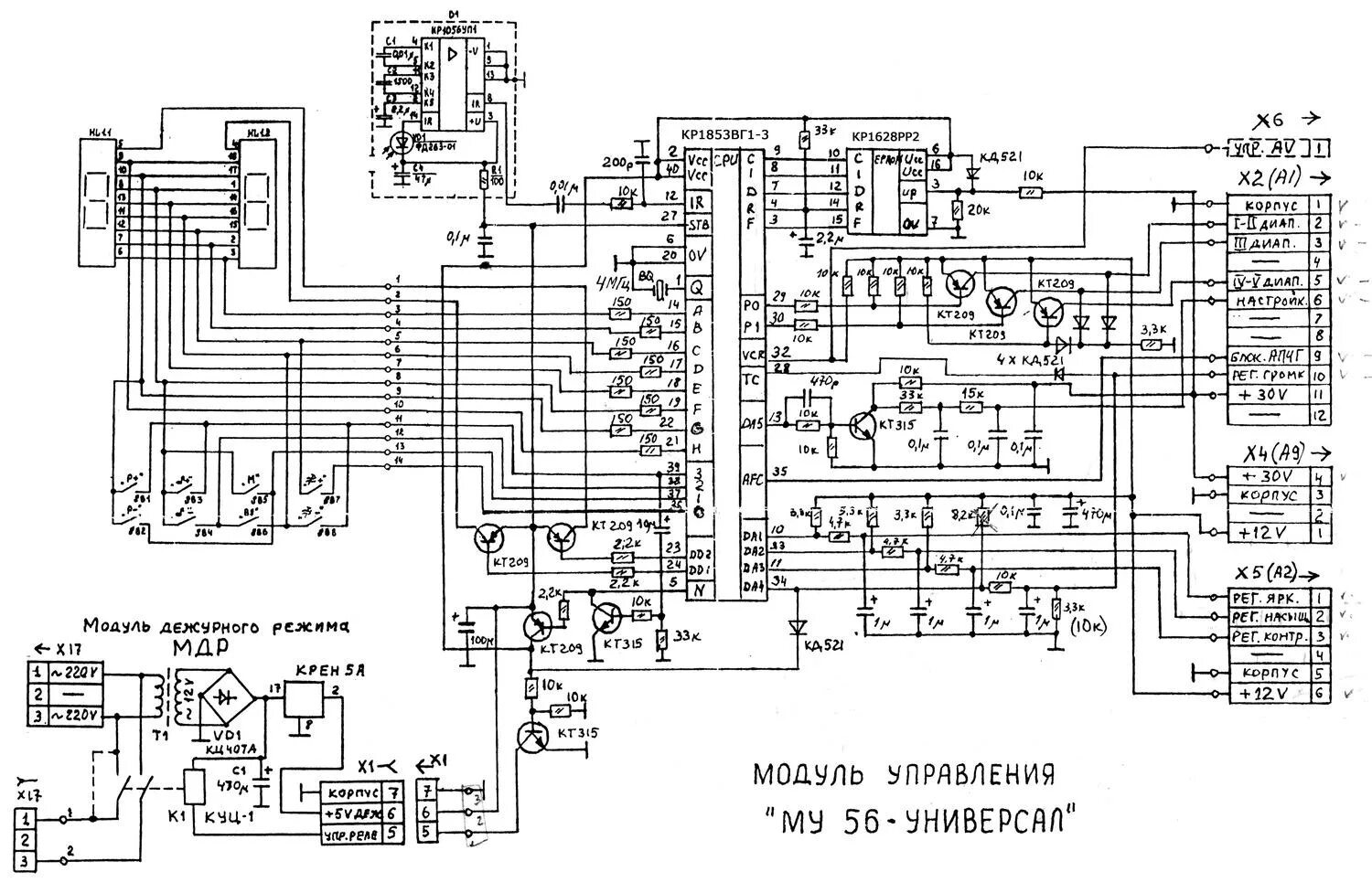
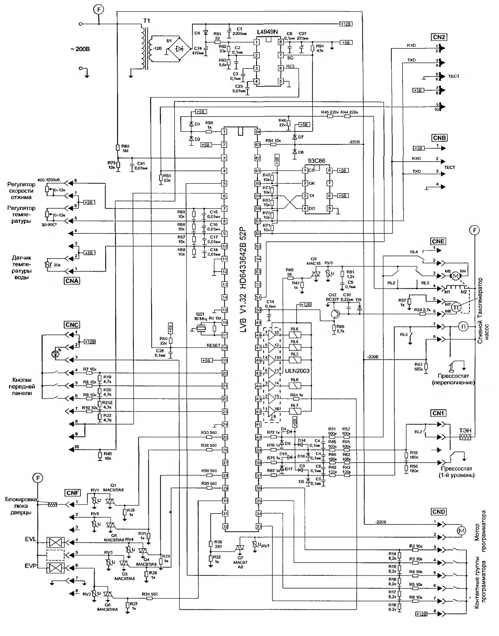
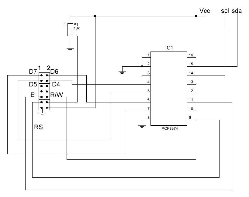
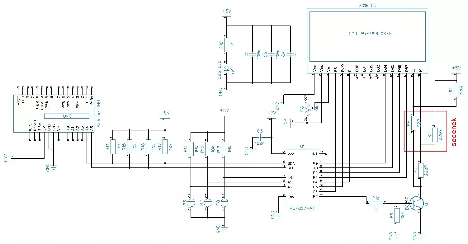
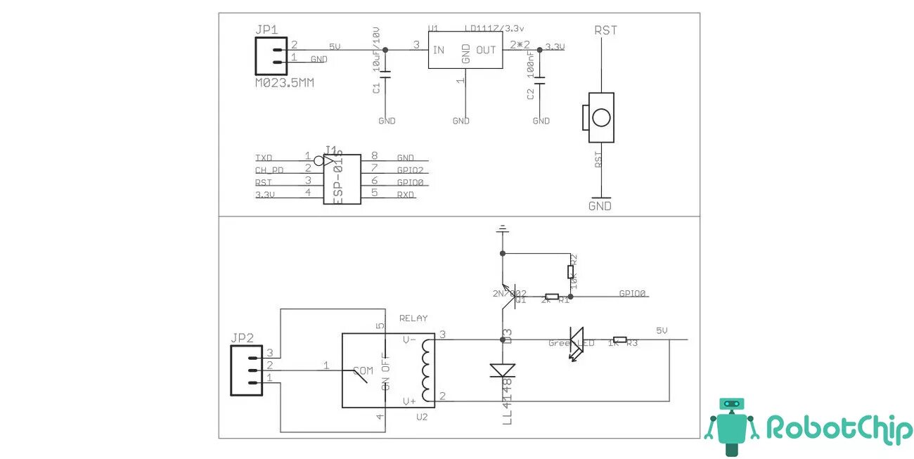
Модуль 01 схема