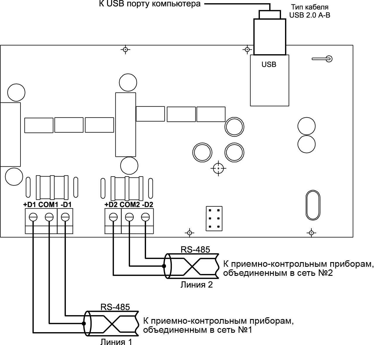
Модуль мс 2